

全國免費客服電話 0519-86578911 郵箱:wokclutch@aliyun.com
手機:13506119400
電話:0519-86578911
地址:常州新北區禾佳路9號
RSPW(WRW)60逆止器產品結構簡圖產品特性及說明1、型號 WRW為 FDC楔塊式單向離合器。內含軸承支撐,使用平面(滑動)軸承支撐并定位,適用于低運轉速度。2、主要應用于防止逆轉,此型號特點為最小的空間內提供較大扭力,此型設計可適用于嚴苛環境需求,例如高度潮濕環境,或有水濺灑之區域。3、扭力臂之槽溝用螺絲固定于機壁,以提供力量防止逆轉,螺絲與扭力臂溝槽之間隙為溝槽之1%寬度,掃力臂與軸承安裝
產品詳情

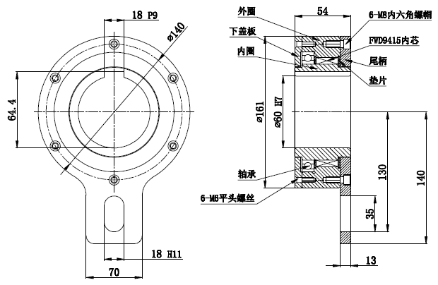
RSPW(WRW)60逆止器產品結構簡圖

產品特性及說明
1、型號 WRW為 FDC楔塊式單向離合器。內含軸承支撐,使用平面(滑動)軸承支撐并定位,適用于低運轉速度。
2、主要應用于防止逆轉,此型號特點為最小的空間內提供較大扭力,此型設計可適用于嚴苛環境需求,例如高度潮濕環境,或有水濺灑之區域。
3、扭力臂之槽溝用螺絲固定于機壁,以提供力量防止逆轉,螺絲與扭力臂溝槽之間隙為溝槽之1%寬度,掃力臂與軸承安裝后絕不可有內應力存在,(安裝時螺絲不可將扭力臂軸向鎖住,徑向亦留有間隙,即不會有彎曲應力施加于軸承及扭力臂上)。

使用維護保養說明
使用潤滑油脂2#鋰基脂30%+ 70%機油充分攪拌均勻,油脂要求溫度范圍-40℃~+150℃。正常使用情況下每個月加一次潤滑脂。
相關推薦