

全國免費客服電話 0519-86578911 郵箱:wokclutch@aliyun.com
手機:13506119400
電話:0519-86578911
地址:常州新北區禾佳路9號
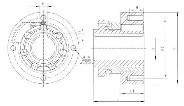
GCS系列單向離合器產品結構簡圖GCS系列單向離合器產品技術參數表GCS系列為滾柱式帶撥爪的超越離合器,其內部采用滑動軸承。主要工作原理是主動側帶動從動側(如安裝圖所示)一起旋轉。在工作時需要內環停止時,可由撥爪機構控制。當擋塊擋住撥爪時,從動側立刻停止,而主動側則繼續運轉。 可與齒輪、鏈輪、皮帶輪等聯結傳遞動力。 主要是適用于給料裝置、步進機構、包裝機、制釘機和裝訂機等。GCS系列單向離合器產品
產品詳情

GCS系列單向離合器產品結構簡圖

GCS系列單向離合器產品技術參數表
GCS系列為滾柱式帶撥爪的超越離合器,其內部采用滑動軸承。主要工作原理是主動側帶動從動側(如安裝圖所示)一起旋轉。在工作時需要內環停止時,可由撥爪機構控制。當擋塊擋住撥爪時,從動側立刻停止,而主動側則繼續運轉。
可與齒輪、鏈輪、皮帶輪等聯結傳遞動力。
主要是適用于給料裝置、步進機構、包裝機、制釘機和裝訂機等。

GCS系列單向離合器產品安裝示意圖
安裝要求:
安裝時主動側必需附加軸承支撐保證內外環間隙。
During installation, additional bearing support must be added on the driving side to ensure the clearance between the inner and outer rings.
相關推薦