

全國免費客服電話 0519-86578911 郵箱:wokclutch@aliyun.com
手機:13506119400
電話:0519-86578911
地址:常州新北區禾佳路9號
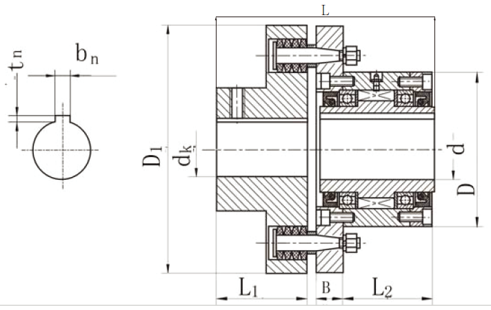
CKL系列逆止器產品結構圖CKL系列逆止器產品型號規格技術參數表 CKL為帶半聯軸器(彈性套柱銷聯軸器)的楔塊式單向離合器。內含軸承支撐及油封。出廠時內含潤滑油。此型號主要用于超運轉速度離合器。 內圈與半聯軸器通過鍵連接到軸上。 該系列廣泛用于包裝、礦山、冶金、水泥、電力等行業。常用作超越離合器和中低速傳動系統中雙速驅動切換裝置。CKL系列逆止器產品安裝示意圖
產品詳情

CKL系列逆止器產品結構圖

CKL系列逆止器產品型號規格技術參數表
CKL為帶半聯軸器(彈性套柱銷聯軸器)的楔塊式單向離合器。內含軸承支撐及油封。出廠時內含潤滑油。此型號主要用于超運轉速度離合器。
內圈與半聯軸器通過鍵連接到軸上。
該系列廣泛用于包裝、礦山、冶金、水泥、電力等行業。常用作超越離合器和中低速傳動系統中雙速驅動切換裝置。

CKL系列逆止器產品安裝示意圖
相關推薦