

全國免費客服電話 0519-86578911 郵箱:wokclutch@aliyun.com
手機:13506119400
電話:0519-86578911
地址:常州新北區禾佳路9號
MI系列單向逆止器產品結構圖MI系列單向逆止器產品型號規格技術參數表產品特性1. 主要用途:分度。2. 能進行高精度的分度傳送型。3. 最適于中低速分度傳送且傳送距離較短的場合。4. 在連續嚙合運轉的情況下,也可使用在有負載 變化的環境中(超越功能)。安裝及使用1. MI系列單向楔塊式單向離合器與MZ結構形式相同,兩端都有防塵油封防護,注有特殊的潤滑脂,隨時備用,不需要另外的潤滑劑。2. 安裝時
產品詳情

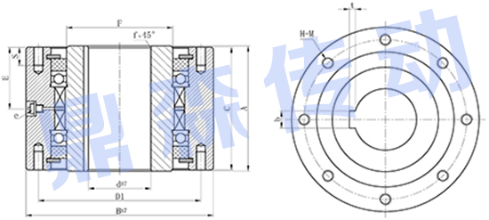
MI系列單向逆止器產品結構圖

MI系列單向逆止器產品型號規格技術參數表
產品特性
1. 主要用途:分度。
2. 能進行高精度的分度傳送型。
3. 最適于中低速分度傳送且傳送距離較短的場合。
4. 在連續嚙合運轉的情況下,也可使用在有負載
變化的環境中(超越功能)。

安裝及使用
1. MI系列單向楔塊式單向離合器與MZ結構形式相同,兩端都有防塵油封防護,注有特殊的潤滑脂,隨時備用,不需要另外的潤滑劑。
2. 安裝時,把滑輪,齒輪或鏈輪連接到離合器上,離合器插入外座圈,并用螺栓(高張力)旋入離合器一端的螺孔中與外座圈固定。
3. 單向離合器不能承受外部推力負荷。
4. 用平鍵將離合器固定到軸上,不要使用錐鍵。
5. 當將離合器安裝到軸上時,將力施加于內座圈,千萬不可加于外圈,請參見右邊的圖解。
6. 對于垂直安裝,請咨詢本公司。
7. 環境溫度的范圍為-5℃~+40℃。
8. 所用鍵應符合ISO R773標準。
9. 使用潤滑油脂2#鋰基脂30%+ 70%機油充分攪拌均勻,油脂要求溫度范圍-40℃~+150℃。正常使用情況下每個月加一次潤滑脂。
相關推薦